Herringbone-tooth timing pulleys
人字齿同步带轮-蓝色
人字齿同步带轮-蓝色
◆ 传动平稳性:
通过带齿与轮齿的啮合传递动力,有效消除滑动现象,减少振动和噪音,运行更平稳。
◆ 高承载能力:
人字齿设计可均匀分布负载,适用于大扭矩和高功率传输场景,承载能力优于传统同步带。
◆ 传动效率高:
啮合传动减少能量损耗,传动效率可达95%以上,节能效果显著。
◆ 结构紧凑:
相比传统齿轮系统,人字齿带轮体积更小,适合空间受限的安装环境。
◆ 维护简便:
无需复杂润滑系统,安装和更换成本较低,维护周期长。
◆ 抗错位能力强:
对称齿形设计可补偿轻微安装误差,延长使用寿命。
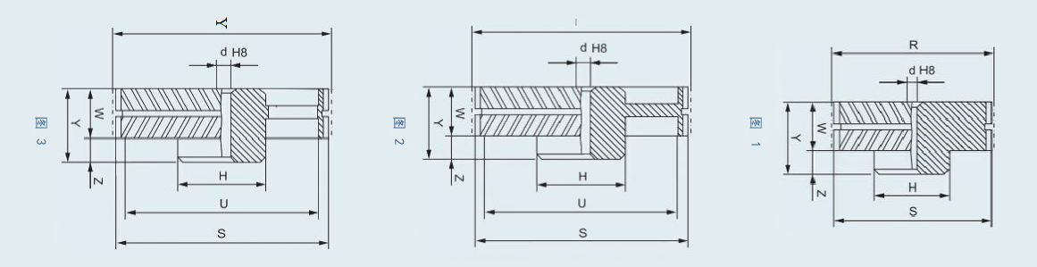
标准人字齿皮带轮
| 类 型 “ 蓝 色 ” B , 节 距 1 4 mm , 宽 W = 3 7 mm | ||||||||||||
| 代码 | 齿数 | 图 | R | S | U | H | d | W | Y | Z | 最大孔 | 材料 |
| B-28S-MPB | 28 | 1 | 124,78 | 121,99 | - | 105,0 | 25,4 | 37,0 | 53,0 | 16,0 | 70,0 | Acciaio |
| B-30S-MPB | 30 | 1 | 133,69 | 130,90 | - | 114,0 | 25,4 | 37,0 | 53,0 | 16,0 | 76,0 | |
| B-32S-MPB | 32 | 1 | 142,61 | 139,81 | - | 123,0 | 25,4 | 37,0 | 53,0 | 16,0 | 82,0 | |
| B-34S-MPB | 34 | 1 | 151,52 | 148,73 | - | 132,0 | 25,4 | 37,0 | 53,0 | 16,0 | 88,0 | |
| B-36S-MPB | 36 | 1 | 160,43 | 157,64 | - | 141,0 | 25,4 | 37,0 | 53,0 | 16,0 | 94,0 | |
| B-38S-MPB | 38 | 1 | 169,35 | 166,55 | - | 150,0 | 25,4 | 37,0 | 53,0 | 16,0 | 100,0 | |
| B-40S-MPB | 40 | 1 | 178,26 | 175,46 | 一 | 159,0 | 25,4 | 37,0 | 53,0 | 16,0 | 106,0 | |
| B-43S-MPB | 43 | 1 | 191,63 | 188,83 | - | 172,0 | 25,4 | 37,0 | 53,0 | 16,0 | 115,0 | |
| B-45S-MPB | 45 | 1 | 200,54 | 197,75 | 一 | 181,0 | 25,4 | 37,0 | 53,0 | 16,0 | 121,0 | |
| B-48S-MPB | 48 | 1 | 213,91 | 211,12 | - | 195,0 | 25,4 | 37,0 | 53,0 | 16,0 | 130,0 | |
| B-50S-MPB | 50 | 2 | 222,82 | 220,03 | 185,0 | 150,0 | 25,4 | 37,0 | 53,0 | 16,0 | 100,0 | GS400 |
| B-56S-MPB | 56 | 2 | 249,56 | 246,77 | 212,0 | 150,0 | 25,4 | 37,0 | 53,0 | 16,0 | 100,0 | |
| B-60S-MPB | 60 | 2 | 267,39 | 264,59 | 230,0 | 150,0 | 25,4 | 37,0 | 53,0 | 16,0 | 100,0 | |
| B-63S-MPB | 63 | 2 | 280,76 | 277,96 | 243,0 | 150,0 | 25,4 | 37,0 | 53,0 | 16,0 | 100,0 | |
| B-71S-MPB | 71 | 2 | 316,41 | 313,62 | 279,0 | 150,0 | 25,4 | 37,0 | 53,0 | 16,0 | 100,0 | |
| B-75S-MPB | 75 | 2 | 334,24 | 331,44 | 296,0 | 150,0 | 25,4 | 37,0 | 53,0 | 16,0 | 100,0 | |
| B-80S-MPB | 80 | 2 | 356,52 | 353,72 | 319,0 | 150,0 | 25,4 | 37,0 | 53,0 | 16,0 | 100,0 | |
| B-90S-MPB | 90 | 2 | 401,08 | 398,29 | 358,0 | 150,0 | 25,4 | 37,0 | 53,0 | 16,0 | 100,0 | GG |
| B-112S-MPB | 112 | 3 | 499,12 | 496,33 | 456,0 | 150,0 | 25,4 | 37,0 | 53,0 | 16,0 | 100,0 | GG |
| B-140S-MPB | 140 | 3 | 623,91 | 621,11 | 581,0 | 150,0 | 25,4 | 37,0 | 53,0 | 16,0 | 100,0 | GG |
| B-168S-MPB | 168 | 3 | 748,69 | 745,89 | 706,0 | 150,0 | 25,4 | 37,0 | 53,0 | 16,0 | 100,0 | GG |
GS400= 球墨铸铁,GG= 灰口铸铁,所有尺寸都以mm 表示

皮带传动基本功率


咨询电话
产品中心
联系我们
网站首页