Herringbone-tooth timing pulleys
人字齿同步带轮-白色
人字齿同步带轮-白色
◆ 传动平稳性:
通过带齿与轮齿的啮合传递动力,有效消除滑动现象,减少振动和噪音,运行更平稳。
◆ 高承载能力:
人字齿设计可均匀分布负载,适用于大扭矩和高功率传输场景,承载能力优于传统同步带。
◆ 传动效率高:
啮合传动减少能量损耗,传动效率可达95%以上,节能效果显著。
◆ 结构紧凑:
相比传统齿轮系统,人字齿带轮体积更小,适合空间受限的安装环境。
◆ 维护简便:
无需复杂润滑系统,安装和更换成本较低,维护周期长。
◆ 抗错位能力强:
对称齿形设计可补偿轻微安装误差,延长使用寿命。
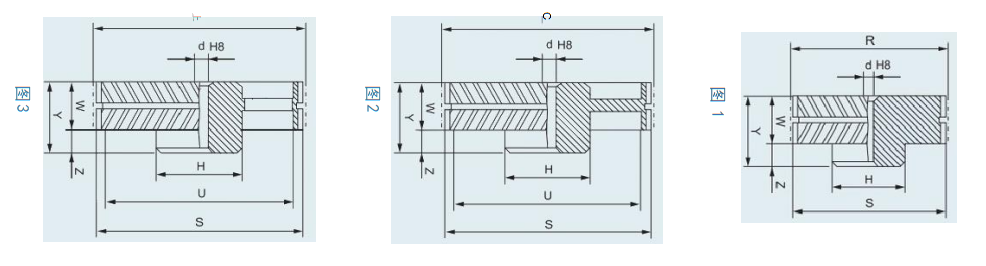
标准人字齿皮带轮
| 类 型 “ 白 色 ” W , 节 距 8 m m , 宽 W = 3 3 m m | ||||||||||||
| 代码 | 齿 数 | 图 | R | S | U | H | d | W | Y | Z | 最大孔 | 材料 |
| W-18S-MPB | 18 | 1 | 45,84 | 44,47 | 一 | 38,4 | 12,7 | 33,0 | 43,0 | 10,0 | 26,0 | Acciaio |
| W-20S-MPB | 20 | 1 | 50,93 | 49,56 | 40,7 | 12,7 | 33,0 | 45,0 | 12,0 | 27,0 | ||
| W-22S-MPB | 22 | 1 | 56,02 | 54,65 | 一 | 45,9 | 12,7 | 33,0 | 45,0 | 12,0 | 31,0 | |
| W-24S-MPB | 24 | 1 | 61,12 | 59,75 | 一 | 51,0 | 12,7 | 33,0 | 49,0 | 16,0 | 34,0 | |
| W-25S-MPB | 25 | 1 | 63,66 | 62,29 | - | 53,5 | 12,7 | 33,0 | 49,0 | 16,0 | 36,0 | |
| W-26S-MPB | 26 | 1 | 66,21 | 64,84 | - | 57,8 | 12,7 | 33,0 | 49,0 | 16,0 | 39,0 | |
| W-28S-MPB | 28 | 1 | 71,30 | 69,93 | 一 | 62,0 | 12,7 | 33,0 | 49,0 | 16,0 | 41,0 | |
| W-30S-MPB二 | 30 | 1 | 76,40 | 75,03 | 一 | 67,0 | 12,7 | 33,0 | 49,0 | 16,0 | 45,0 | |
| W-32S-MPB | 32 | 1 | 81,49 | 80,12 | 一 | 72,0 | 12,7 | 33,0 | 49,0 | 16,0 | 48,0 | |
| W-34S-MPB | 34 | 1 | 86,58 | 85,21 | 一 | 77,0 | 12,7 | 33,0 | 49,0 | 16,0 | 51,0 | |
| W-36S-MPB二 | 36 | 1 | 91,68 | 90,30 | 一 | 82,0 | 12,7 | 33,0 | 49,0 | 16,0 | 55,0 | |
| W-38S-MPB | 38 | 1 | 96,77 | 95,40 | 87,0 | 12,7 | 33,0 | 49,0 | 16,0 | 58,0 | ||
| W-40S-MPB | 40 | 1 | 101,86 | 100,49 | 一 | 92,0 | 12,7 | 33,0 | 49,0 | 16,0 | 62,0 | |
| W-44S-MPB二 | 44 | 1 | 112,05 | 110,68 | 一 | 102,0 | 12,7 | 33,0 | 49,0 | 16,0 | 68,0 | |
| W-45S-MPB | 45 | 1 | 114,59 | 113,22 | 一 | 105,0 | 12,7 | 33,0 | 49,0 | 16,0 | 70,0 | |
| W-48S-MPB | 48 | 1 | 122,23 | 120,86 | - | 112,0 | 12,7 | 33,0 | 49,0 | 16,0 | 75,0 | |
| W-50S-MPB二 | 50 | 1 | 127,33 | 125,96 | 一 | 118,0 | 12,7 | 33,0 | 49,0 | 16,0 | 79,0 | |
| W-52S-MPB | 52 | 1 | 132,42 | 131,05 | - | 123,0 | 12,7 | 33,0 | 49,0 | 16,0 | 82,0 | |
| W-56S-MPB二 | 56 | 1 | 142,61 | 141,24 | 一 | 133,0 | 12,7 | 33,0 | 49,0 | 16,0 | 89,0 | |
| W-60S-MPB | 60 | 1 | 152,79 | 151,42 | 一 | 143,0 | 12,7 | 33,0 | 49,0 | 16,0 | 96,0 | |
| W-63S-MPB | 63 | 1 | 160,43 | 159,06 | 一 | 151,0 | 12,7 | 33,0 | 49,0 | 16,0 | 101,0 | |
| W-64S-MPB | 64 | 1 | 162,98 | 161,61 | 一 | 153,0 | 12,7 | 33,0 | 49,0 | 16,0 | 102,0 | |
| W-68S-MPB | 68 | 2 | 173,17 | 171,79 | 152,0 | 120,0 | 25,4 | 33,0 | 49,0 | 16,0 | 80,0 | GS400 |
| W-72S-MPB | 72 | 2 | 183,35 | 181,98 | 162,0 | 120,0 | 25,4 | 33,0 | 49,0 | 16,0 | 80,0 | |
| W-75S-MPB | 75 | 2 | 190,99 | 189,62 | 170,0 | 120,0 | 25,4 | 33,0 | 49,0 | 16,0 | 80,0 | |
| W-76S-MPB | 76 | 2 | 193,54 | 192,17 | 172.0 | 120,0 | 25,4 | 33,0 | 49,0 | 16,0 | 80,0 | |
| W-80S-MPB | 80 | 2 | 203,72 | 202,35 | 182,0 | 120,0 | 25,4 | 33,0 | 49,0 | 16,0 | 80,0 | |
| W-90S-MPB二 | 90 | 2 | 229,19 | 227,82 | 208,0 | 120,0 | 25,4 | 33,0 | 49,0 | 16,0 | 80,0 | |
| W-112S-MPB | 112 | 2 | 285,21 | 283,84 | 264,0 | 120,0 | 25,4 | 33,0 | 49,0 | 16,0 | 80,0 | |
| W-140S-MPB | 140 | 2 | 356,52 | 355,15 | 335,0 | 150,0 | 25,4 | 33,0 | 49,0 | 16,0 | 100,0 | |
| W-180S-MPB | 180 | 3 | 458,38 | 457,00 | 433,0 | 150,0 | 25,4 | 33,0 | 49,0 | 16,0 | 100,0 | GG |
| W-224S-MPB | 224 | 3 | 570,43 | 569,04 | 545,0 | 150,0 | 25,4 | 33,0 | 49,0 | 16,0 | 100,0 | GG |
GS400= 球墨铸铁,GG= 灰口铸铁,所有尺寸都以mm 表示
皮带传动基本功率
| 类型“白色”W的SILENTSYNC皮带传动功率[kW](宽度32毫米) | ||||||||||||||||||||||||
| 齿数 | 18 | 20 | 22 | 24 | 25 | 26 | 28 | 30 | 32 | 34 | 36 | 38 | 40 | 45 | 48 | 50 | 56 | 60 | 63 | 75 | 80 | 90 | 112 | |
| 初始0 [mm] | 45.84 | 50.93 | 56.02 | 61.12 | 63.66 | 66.21 | 71.30 | 76.39 | 81.49 | 86.58 | 91.67 | 96.77 | 101.86 | 114.59 | 122.23 | 127.32 | 142.60 | 152.791 | 160.43 | 190.99 | 203.72 | 229.18 | 285.20 | |
| 较小皮带轮转速 [m in-] | 10 | 0.07 | 0.09 | 0.10 | 0.12 | 0.13 | 0.13 | 0.15 | 0.16 | 0.18 | 0.19 | 0.19 | 0.2 | 0.22 | 0.25 | 0.28 | 0.30 | 0.33 | 0.36 | 0.37 | 0.46 | 0.49 | 0.55 | 0.70 |
| 20 | 0.15 | 0.18 | 0.21 | 0.24 | 0.25 | 0.27 | 0.30 | 0.31 | 0.34 | 0.37 | 0.40 | 0.42 | 0.45 | 0.51 | 0.55 | 0.58 | 0.66 | 0.70 | 0.7 | 0.9 | 1.0 | 1.1 | 1.4 | |
| 40 | 0.28 | 0.34 | 0.40 | 0.46 | 0.49 | 0.52 | 0.58 | 0.63 | 0.67 | 0.73 | 0.8 | 0.8 | 0.9 | 1.0 | 1.1 | 1.1 | 1.3 | 1.4 | 1.5 | 1.8 | 1.9 | 2.2 | 2.7 | |
| 60 | 0.42 | 0.51 | 0.60 | 0.69 | 0.73 | 0.8 | 0.8 | 0.9 | 1.0 | 1.1 | 1.1 | 1.2 | 1.3 | 1.5 | 1.6 | 1.7 | 1.9 | 2.1 | 2.2 | 2.6 | 2.8 | 3.2 | 4.0 | |
| 100 | 0.69 | 0.8 | 1.0 | 1.1 | 1.2 | 1.3 | 1.4 | 1.5 | 1.6 | 1.7 | 1.9 | 2.0 | 2.1 | 2.4 | 2.6 | 2.7 | 3.1 | 3.3 | 3.5 | 4.2 | 4.5 | 5.1 | 6.5 | |
| 200 | 1.3 | 1.5 | 1.8 | 2.1 | 2.2 | 23 | 26 | 2.8 | 3.0 | 3.2 | 3.5 | 3.7 | 3.9 | 4.5 | 4.8 | 5.1 | 5.8 | 6.2 | 6.5 | 8 | 8 | 10 | 12 | |
| 300 | 1.8 | 2.2 | 2.5 | 29 | 3.1 | 3.3 | 3.7 | 4.0 | 4.3 | 4.6 | 4.9 | 5.3 | 5.6 | 6.4 | 6.9 | 7.2 | 8 | 9 | 9 | 11 | 12 | 14 | 17 | |
| 400 | 2.3 | 2.8 | 3.2 | 3.7 | 4.0 | 4.2 | 4.6 | 5.1 | 5.5 | 5.9 | 6.3 | 6.7 | 7.1 | 8 | 9 | 9 | 10 | 11 | 12 | 14 | 15 | 17 | 22 | |
| 500 | 2.8 | 3.3 | 3.9 | 4.5 | 4.8 | 5.1 | 5.6 | 6.1 | 6.6 | 7.0 | 8 | 8 | 9 | 10 | 10 | 11 | 12 | 13 | 14 | 17 | 18 | 21 | 26 | |
| 600 | 3.2 | 3.9 | 4.5 | 5.2 | 5.5 | 5.9 | 6.5 | 7.0 | 8 | 8 | 9 | 9 | 10 | 11 | 12 | 13 | 14 | 16 | 16 | 20 | 21 | 24 | 30 | |
| 700 | 3.7 | 4.4 | 5.1 | 5.9 | 6.3 | 6.7 | 7.3 | 8 | 9 | 9 | 10 | 11 | 11 | 13 | 14 | 14 | 16 | 18 | 19 | 22 | 24 | 27 | 34 | |
| 800 | 4.1 | 4.9 | 5.7 | 6.5 | 7.0 | 7 | 8 | 9 | 10 | 10 | 11 | 12 | 12 | 14 | 15 | 16 | 18 | 20 | 21 | 25 | 27 | 30 | 38 | |
| 870 | 4.4 | 5.2 | 6.1 | 7.0 | 7 | 8 | 9 | 9 | 10 | 11 | 12 | 13 | 13 | 15 | 16 | 17 | 19 | 21 | 22 | 27 | 29 | 32 | 41 | |
| 1000 | 4.9 | 5.8 | 6.8 | 8 | 8 | 9 | 10 | 11 | 11 | 12 | 13 | 14 | 15 | 17 | 18 | 19 | 22 | 23 | 25 | 30 | 32 | 36 | 45 | |
| 1160 | 5.5 | 6.6 | 8 | 9 | 9 | 10 | 11 | 12 | 13 | 14 | 15 | 16 | 17 | 19 | 21 | 22 | 24 | 26 | 28 | 34 | 36 | 41 | 51 | |
| 1200 | 5.6 | 6.7 | 8 | 9 | 10 | 10 | 11 | 12 | 13 | 14 | 15 | 16 | 17 | 20 | 21 | 22 | 25 | 27 | 29 | 35 | 37 | 42 | 52 | |
| 1400 | 6.4 | 8 | 9 | 10 | 11 | 12 | 13 | 14 | 15 | 16 | 17 | 18 | 20 | 22 | 24 | 25 | 28 | 31 | 32 | 39 | 42 | 47 | 59 | |
| 1600 | 7.1 | 9 | 10 | 11 | 12 | 13 | 14 | 15 | 17 | 18 | 19 | 21 | 22 | 25 | 27 | 28 | 32 | 34 | 36 | 43 | 46 | 52 | 65 | |
| 1750 | 8 | 9 | 11 | 12 | 13 | 14 | 15 | 17 | 18 | 19 | 21 | 22 | 23 | 27 | 29 | 30 | 34 | 37 | 39 | 47 | 50 | 56 | 70 | |
| 2000 | 9 | 10 | 12 | 14 | 15 | 16 | 17 | 19 | 20 | 22 | 23 | 25 | 26 | 30 | 32 | 34 | 38 | 41 | 43 | 52 | 55 | 62 | 77 | |
| 2400 | 10 | 12 | 14 | 16 | 17 | 18 | 20 | 22 | 23 | 25 | 27 | 29 | 30 | 35 | 37 | 39 | 44 | 47 | 50 | 60 | 64 | 72 | 88 | |
| 2800 | 11 | 14 | 16 | 18 | 19 | 21 | 23 | 25 | 27 | 29 | 31 | 33 | 34 | 39 | 42 | 44 | 50 | 54 | 56 | 67 | 72 | 80 | 98 | |
| 3200 | 13 | 15 | 18 | 20 | 22 | 23 | 25 | 28 | 30 | 32 | 34 | 36 | 39 | 44 | 47 | 49 | 55 | 60 | 63 | 74 | 79 | 88 | 106 | |
| 3500 | 14 | 16 | 19 | 22 | 24 | 25 | 27 | 30 | 32 | 35 | 37 | 39 | 42 | 47 | 51 | 53 | 60 | 64 | 67 | 79 | 84 | 94 | 111 | |
| 4000 | 15 | 18 | 22 | 25 | 26 | 28 | 31 | 33 | 36 | 39 | 41 | 44 | 46 | 53 | 56 | 59 | 66 | 71 | 74 | 87 | 92 | 101 | 118 | |
| 4500 | 17 | 20 | 24 | 27 | 29 | 31 | 34 | 37 | 40 | 43 | 45 | 48 | 51 | 58 | 62 | 65 | 72 | 77 | 81 | 94 | 99 | 108 | 122 | |
| 5000 | 19 | 22 | 26 | 30 | 32 | 34 | 37 | 40 | 43 | 47 | 50 | 53 | 56 | 63 | 67 | 70 | 78 | 83 | 87 | 100 | 105 | 113 | 123 | |
| 5500 | 20 | 24 | 28 | 33 | 35 | 37 | 40 | 44 | 47 | 50 | 54 | 57 | 60 | 68 | 72 | 75 | 83 | 89 | 92 | 105 | 109 | 116 | 120 | |
| 6000 | 22 | 26 | 31 | 35 | 37 | 40 | 43 | 47 | 51 | 54 | 58 | 61 | 64 | 72 | 77 | 80 | 88 | 93 | 97 | 109 | 112 | 117 | 113 | |
| 7000 | 25 | 30 | 35 | 40 | 43 | 45 | 49 | 53 | 57 | 61 | 65 | 69 | 72 | 81 | 85 | 88 | 96 | 101 | 104 | 112 | 114 | 113 | 88 | |
| 8000 | 28 | 34 | 39 | 45 | 48 | 50 | 55 | 59 | 64 | 68 | 72 | 75 | 79 | 87 | 92 | 95 | 102 | 106 | 108 | 110 | 108 | 98 | ||
| 10000 | 34 | 41 | 47 | 54 | 57 | 60 | 65 | 70 | 74 | 79 | 83 | 86 | 90 | 97 | 100 | 102 | 105 | 104 | 103 | |||||
| 15000 | 47 | 55 | 63 | 70 | 74 | 78 | 82 | 86 | 89 | 91 | 93 | 93 | 93 | 86 | 79 | 73 | 46 | |||||||
| 20000 | 55 | 63 | 70 | 77 | 80 | 82 | 83 | 83 | 80 | 76 | 69 | 60 | ||||||||||||

咨询电话
产品中心
联系我们
网站首页